Oil & Gas Design & Drafting
Facility Capture has done it all! From P&ID walkdowns to 3D Scanning, from 3D Models of full facilities or existing facilities to creating a facility from scratch, Facility Capture has the experience. See below for samples of past projects. 3D Modeling means faster delivery, excellent quality and fewer mistakes. From 3D Modeling to Fabrication Packages, we do it all!
New Facility Design - Standard or Non-Standard Facilities
New Facility Design - Central Tank Battery
New Facility Design - Tank Area
New Facility Design - Vessel Design
New Facility Design - Skid Design
New Facility Concepts - 3D Model
New Facility Concept - Plan View
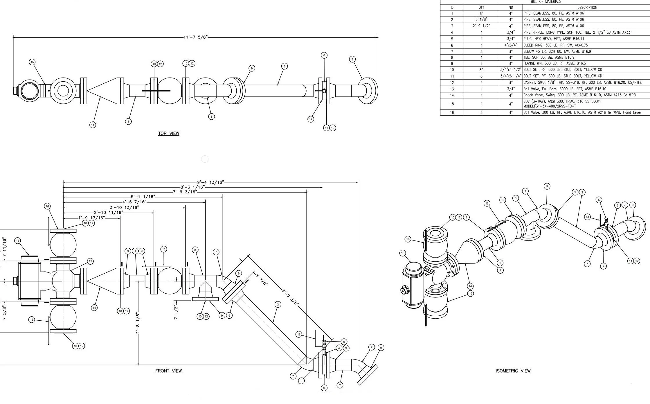
New Facility Concept - Isometric View & B.O.M.
New Facility Concept - Orthographic Fabrication Drawings
3D Model - Specialized Vessel Design
3D Model - Separator Skid
3D Model - Separator Skid
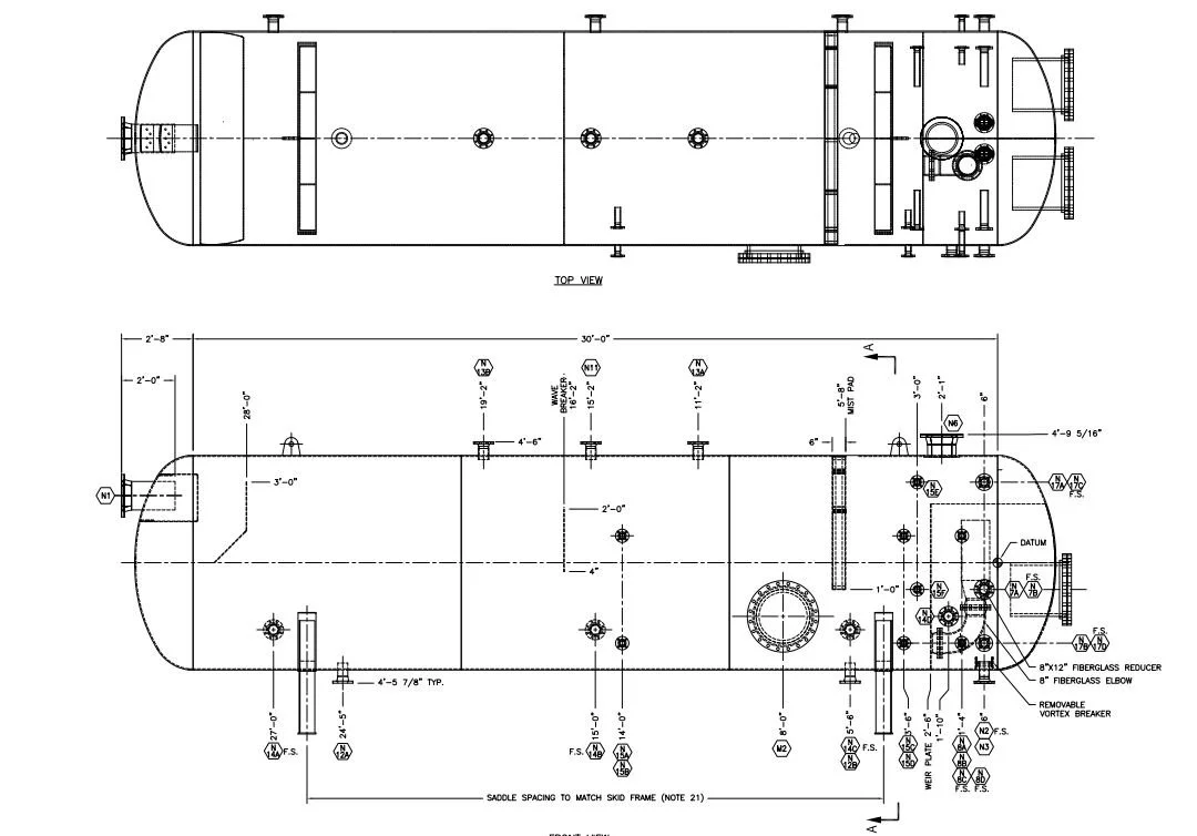
3D Model - Separator Skid Drawings
3D Model - Separator Skid Drawings
3D Model - Separator Skid Drawings